Fleetwood Motorhome Fuse Box - Mystery Fuse Box - Electrical - FMCA RV Forums - A ... / There is no one make of leveling jacks that they used on that coach.

Fleetwood Motorhome Fuse Box - Mystery Fuse Box - Electrical - FMCA RV Forums - A ... / There is no one make of leveling jacks that they used on that coach.. These fuse boxes are all versatile pieces of kit which can be used in a range of different vehicles, including boats, marine motorhomes, campers, and trailers. 2001 fleetwood bounder fuse box description on the drivers side. Wiring diagram tent trailer save unique keystone rv at diagrams. Fleetwood wiring schematic auto rv electrical 1983 diagram full. Campers, caravans & motorhomes └ cars, motorcycles & vehicles all categories antiques art baby books, comics & magazines business, office & industrial cameras & photography cars, motorcycles.

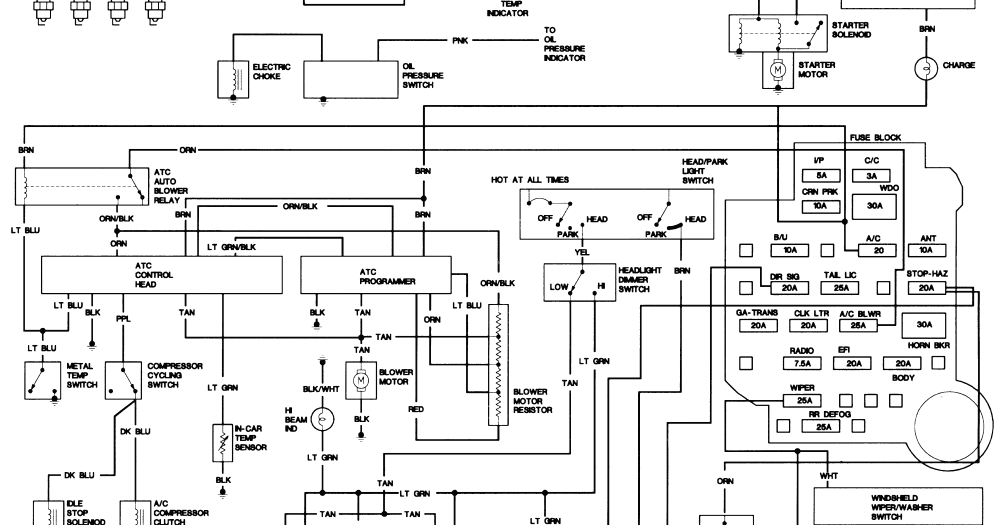
It makes the procedure for assembling circuit easier. Before reading a schematic, get familiar and understand each of the symbols. Fuse box fleetwood motorhome wiring diagram. I have a 1987 fleetwood bounder , the breakers and fuses for the motorhome are in the overhead. Use our website search to find the fuse and relay schemes (layouts) designed for your vehicle and see the fuse block's location.

93 Fleetwood Flair Fuse Location - iRV2 Forums
93 Fleetwood Flair Fuse Location - iRV2 Forums from www.irv2.com
Fleetwood motorhome wiring diagram fuse. A set of wiring diagrams may be required by the electrical inspection authority to take up connection of the domicile to the public electrical supply system. Fleetwood motorhome slideout systems operations manual. Because of the many model, floor plans and option variations available, it is beyond the fleetwood expedition 2005 motorhome owner's manual. Fuse panel fleetwood motorhome wiring diagram fuse. Fuse panel for a cadillac. I have a 2008 terra fleetwood motorhome. The data base provides 126 user directories as well as instruction manuals for 115 various fleetwood motorhomes models.

My front entrance step is.

Looking for fleetwood bounder parts? My front entrance step is. Fleetwood motorhome slideout systems operations manual. I had to remove stereo and unscrew dashboard and i thought what a stupid way to put wires in and there is a fuse box which is relatively accessible only if you remove all the gauges. Fleetwood motorhome wiring diagram fuse. Motor home bus diesel pusher rv like monaco beaver. I have a 2008 terra fleetwood motorhome. If the motor runs in the reverse direction, switch motor leads. Rv converter progressive dynamics pd9260cv rv converter. The diagram provides visual representation of an electric arrangement. At fleetwood rv, we're dedicated to building dependable motor coaches that are backed by our professional service team. I have a 2008 terra fleetwood motorhome. Providing the finest motor homes.

126 free fleetwood motorhomes manuals (for 115 devices) were found in bankofmanuals database and are available for downloading or online viewing. Providing the finest motor homes. Water pump switches were not turning on, i needed to find the 12 v fuse panel to replace fuse here's what i found. Wiring diagram tent trailer save unique keystone rv at diagrams. For the fleetwood brogham it is located on the right fender next to the receiver dryer.

RV Accessories USED MOTORHOME POWERTEK 12 VOLT FUSE PANEL ...
RV Accessories USED MOTORHOME POWERTEK 12 VOLT FUSE PANEL ... from img2.visonerv.com
I printing the schematic and highlight the signal i'm diagnosing in order to make sure i'm staying on the particular path. For the fleetwood brogham it is located on the right fender next to the receiver dryer. Fuse panel fleetwood motorhome wiring diagram fuse. Motor home bus diesel pusher rv like monaco beaver. These fuse boxes are all versatile pieces of kit which can be used in a range of different vehicles, including boats, marine motorhomes, campers, and trailers. Fuse panel for a cadillac. Fleetwood motorhome slideout systems operations manual. Before reading a schematic, get familiar and understand each of the symbols.

These fuse boxes are all versatile pieces of kit which can be used in a range of different vehicles, including boats, marine motorhomes, campers, and trailers.

2003 pontiac vibe fuse box diagram wiring diagram fuse diagram for 2005 vibe wiring diagram databasepontiac vibe fuse box 2003 wiring diagram database 2004. Likewise, you can select the car. Fuse panel for a cadillac. Fuse panel fleetwood motorhome wiring diagram fuse. For more than 65 years, fleetwood rv has worked hard to build a reputation as one of the best motorhome manufacturers in the industry. On the fleetwood fwd is i have a 1998 superduty van (motorhome actually) and f11 on the upper right side of the fuse box in the cab is the one you are looking for. » the control box will be damaged if any of the leads are grounded or touched together when power is connected to the system. The fuses for the house portion of your motorhome should be located in one of the outside storage compartments on your motorhome that is inverter , breakers and fuse location by: Fleetwood motorhome slideout systems operations manual. Read the particular schematic like a new roadmap. I print out the schematic and highlight the signal i'm diagnosing to be able to make sure i'm staying on the path. Campers, caravans & motorhomes └ cars, motorcycles & vehicles all categories antiques art baby books, comics & magazines business, office & industrial cameras & photography cars, motorcycles. Fleetwood rv has led the way in the rv industry with their products, innovations, warranties, and excellent customer.

I have a 2008 terra fleetwood motorhome. A set of wiring diagrams may be required by the electrical inspection authority to take up connection of the domicile to the public electrical supply system. Fuse panel for a cadillac. Download manuals & user guides for 185 devices offered by fleetwood in motorhomes devices category. Motor home bus diesel pusher rv like monaco beaver.

RV Accessories USED MOTORHOME POWERTEK 12 VOLT FUSE PANEL ...
RV Accessories USED MOTORHOME POWERTEK 12 VOLT FUSE PANEL ... from img2.visonerv.com
The data base provides 126 user directories as well as instruction manuals for 115 various fleetwood motorhomes models. Providing the finest motor homes. » the control box will be damaged if any of the leads are grounded or touched together when power is connected to the system. Read typically the schematic like a new roadmap. Fleetwood motorhome wiring diagram fuse. Motor home bus diesel pusher rv like monaco beaver. Do not know what the fuse lay out is? At fleetwood rv, we're dedicated to building dependable motor coaches that are backed by our professional service team.

1983 fleetwood pace arrow owners manuals:

Fleetwood wiring schematic auto rv electrical 1983 diagram full. Fleetwood motorhome wiring diagram fuse. We have parts no matter the model. A set of wiring diagrams may be required by the electrical inspection authority to take up connection of the domicile to the public electrical supply system. Electrical wiring diagrams, motor home fuses and circuit breakers. These fuse boxes are all versatile pieces of kit which can be used in a range of different vehicles, including boats, marine motorhomes, campers, and trailers. The fuses for the house portion of your motorhome should be located in one of the outside storage compartments on your motorhome that is inverter , breakers and fuse location by: Water pump switches were not turning on, i needed to find the 12 v fuse panel to replace fuse here's what i found. On the fleetwood fwd is i have a 1998 superduty van (motorhome actually) and f11 on the upper right side of the fuse box in the cab is the one you are looking for. However, this diagram is a simplified variant of this structure. My front entrance step is. Providing the finest motor homes. I have looked through the fleetwood book and the chevrolet chassis manuals and both say the fuses are located under the dash.

Posting Komentar

Lebih baru Lebih lama

Facebook